еее
#7777
    http://zip500.blogspot.com заказывайте любые приложения, у нас есть все комплектующие

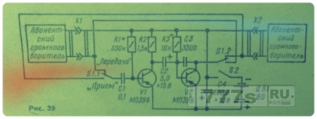
    Переговорное УЗЧ КАКОЙ по виду и качеству радиоконструктор

     Характеристики конструкторов

    • лучшие электронные конструкторы 80
    • супер набор электронный конструктор 24
    • развивающие электронные конструкторы 40




















    #7777

    Комментариев нет:

    Отправить комментарий

    комментировать